1800KW柴油發電機組輸出柜配置清單及線路圖
啟動柜是指電動機的起動,柴油發電機組這個發電設備對普通中國人來說不陌生了,但是相信了解的人也不多,都知道柴油發電機是用來發電的。其實,在一個城市里有許多發電機就在我們的身邊,例如我們住宅里的電梯吧,如安防系統, 電梯,信息儲備,消防安全等,這些都是與大家的生活息息相關的!今天柴油發電機廠家頂博電力給大家介紹柴油發是機組啟動柜材料及其圖紙。
1800KW柴油發電機組配電柜材料報價明細清單 | |||||
主開關柜 | |||||
序號 | 名稱 | 型號規格 | 單位 | 數量 | 廠家 |
1 | 柜體 | GGD 1000*800*2200(寬*深*高) | 臺 | 1 | 定制 |
2 | 萬能式框架斷路器 | MVS 32H 3F202+相間隔板+瞬動失壓線圈 MN-AC200-250V | 臺 | 1 | 施奈德 |
3 | 電流互感器 | BH-0.66Ⅱ 3000/5 Φ120 0.5級 1匝 | 只 | 3 | 正泰 |
4 | 發電機組控制器 | HGM6110N | 只 | 1 | 眾智 |
5 | 直流電源模塊 | BAC06A AC220V/DC24V | 只 | 1 | 眾智 |
6 | 小型中間繼電器 | NXJ24V-4Z1 D | 只 | 4 | 正泰 |
7 | 小型中間繼電器 | NXJ-A220V-4Z1 D | 只 | 1 | 正泰 |
8 | 電流表 | 42L6-A,3000/5 | 只 | 3 | 正泰 |
9 | 功率表 | 42L6-KW 3000/5A 380V | 只 | 1 | 正泰 |
10 | 功率因數表 | 42L6-COSφ 380V 5A三相 | 只 | 1 | 正泰 |
11 | 頻率表 | 42L6-HZ 45-55HZ/380V | 只 | 1 | 正泰 |
12 | 電壓表 | 42L2-V 0~450V | 只 | 1 | 正泰 |
13 | 電壓換相開關 | LW5-16YH2/2 | 只 | 1 | 正泰 |
14 | 熔斷器 | RT14-20/ 6A | 套 | 5 | 正泰 |
15 | 信號燈 | AD56-22DS/Y,G,R,~220V,黃1,紅1,綠1 | 只 | 3 | 國優 |
16 | 按鈕 | LAY50-22D-11,1開1閉,紅,綠各1 | 只 | 2 | 國優 |
17 | 急停接鈕 | 紅色 | 只 | 1 | 國優 |
18 | 旋鈕 | 黑色 三擋 | 只 | 1 | 國優 |
19 | 主銅排 | TMY-120*10 | 米 | 18 | 國優 |
20 | 主銅排 | TMY-100*10 | 米 | 10 | 國優 |
21 | 零排 | TMY-120*10 | 米 | 0.8 | 國優 |
22 | 接地銅排 | TMY-100*10 | 米 | 0.8 | 國優 |
23 | 絕緣子 | 圓形,紅色,>M10 | 只 | 36 | 海坦 |
24 | 配電柜安裝人工 | 臺 | 1 | ||
25 | 輔材 | 臺 | 1 | ||
26 | 運費 | 臺 | 1 | ||
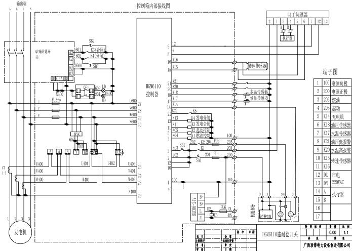
1800KW柴油發電機組啟動柜配置圖紙
以上信息來由廣西發電機組廠家頂博電力(http://www.nurse-eri.com)收集整理, 我公司主營產品有康明斯發電機組、玉柴發電機組、沃爾沃發電機組、帕金斯發電機組、上柴發電機組等,可根據客戶需要提供自啟動、并機及微機監控等配套設備,靜音及移動拖車,我公司的柴油發電機組出口東南亞、非洲、中東等地。熱線:13667715899
推薦文章
- 解密數據中心、醫院、工廠都在搶的500KW玉柴柴油發電機組:憑啥一臺機器全能通吃? 2026-04-17
- 廣西頂博亮相2026年第139屆中國進出口商品交易會(廣交會),以創新科技閃耀國際舞臺 2026-04-16
- 廣西頂博精彩亮相第139屆中國進出口商品交易會(廣交會) 以硬核電力科技對接全球需求 2026-04-16
- 行業首創1000L可拆卸底座油箱,這臺400KW上柴發電機組,歐洲技術,重卡級心臟,供電能力太穩了 2026-04-15
- 可拆卸油箱+50Hz/60Hz通吃全球!這臺400KW上柴柴油發電機組,省油、好維護、帶載猛 2026-04-15
- 純銅繞組、H級絕緣、IP23防護:100kw玉柴柴油發電機組,工業用電的務實方案 2026-04-14
- 為關鍵用電場景選購電力設備:為什么數據中心、醫院、工廠的老板都在選這臺康明斯550KW發電機組? 2026-04-13
- 醫院、銀行、數據中心都在用的發電機組:92kW珀金斯靜音發機組硬核配置,從容應對每一次斷電 2026-04-10
- 百年珀金斯6缸心臟,配斯坦福銅芯,這臺92kW珀金斯靜音發電機組,靜音、省油、智能 2026-04-10
- 什么是硬核工業電?直列6缸+空空中冷+斯坦福純銅電機,這一套配置夠用30年——240kW東風康明斯靜音箱式柴油發電機組 2026-04-09






桂公網安備45010702002247